«The More, The Merrier»
Für das Kunst-und-Bau-Projekt der Schulanlage Allmend in der zürcher Manegg hat der Künstler Roland Roos eine bestechend einfache Idee: Ein Springbrunnen, der ohne Fremdenergie mit dem Regenwasser des Daches funktioniert. Die Realisierung hat es aber in sich. Wir setzten die Idee und die enthaltenen Finessen technisch um.
Springbrunnen sind eigentlich Sinnbild für Luxus und Verschwendung. Der Brunnen von Roland Roos sprudelt hingegen nur dann, wenn es regnet. Auf humorvolle und hintersinnige Weise macht er so die Abhängigkeit von natürlichen Ressourcen erfahrbar und stellt unser selbstverständliches Verlangen in Frage, alles immer und überall verfügbar zu haben.
Um dieses Bild zu verstärken, sollte der Wasserstrahl entsprechend der vorhandenen Wassermenge mehr oder weniger stark sein. Zudem sollte die Fontäne nicht nur starr nach oben spritzen, sondern fröhlich taumeln.

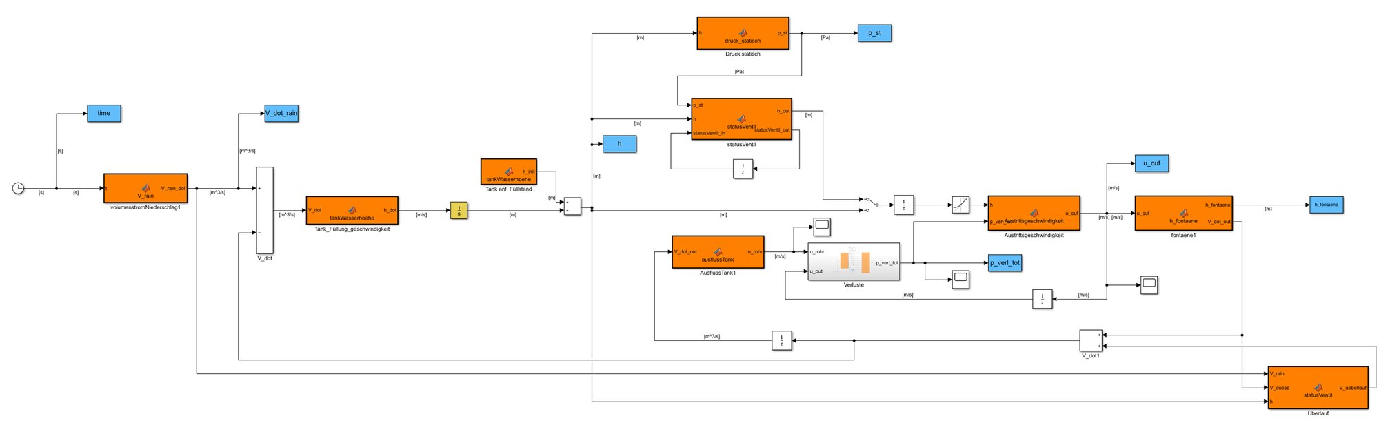
Zu Beginn stand eine grundlegende Frage: Kann das System überhaupt funktionieren?
Dazu simulierten wir das Gesamtsystem aus Dach, Regenspeicher, Leitung und Düse in verschiedenen Ausprägungen und Wetterszenarien digital. Das Ergebnis spricht für eine gute Machbarkeit, die Fontäne kann bis zu 9m Höhe erreichen.

Das Simulationsergebnis wurde mit starren Düsengeometrien validiert. Daraufhin testeten wir verschiedene Designs von Düsen mit variablem Querschnitt. Die Düse muss nicht nur bei allen Wassermengen einen schönen Strahl generieren, sondern auch wartungsarm über Jahrzehnte bei allen Witterungsbedingungen funktionieren.

Für die Umsetzung des Einzelstücks wurden die Bauteile im CAD konstruiert. Die Düse wurde als 3D-Druckteil aus Werkzeugstahl gefertigt und präzise geschliffen.
Nach dem Zusammenbau und einigen Optimierungen wurde der Brunnen im März 2023 in Betrieb genommen.
„Die Menschen bei Tribecraft sind hoch qualifizierte Spezialistinnen gepaart mit einer ausgeprägten Sozialkompetenz, die ein Arbeitsklima und eine Gesprächskultur auf Augenhöhe ermöglicht“
Fertigstellung:
2023
Unser Beitrag:
Konzeption
Systemmodellierung
Simulation
Konstruktion
Umsetzungsbegleitung